Could this be done via graphite pencil mod?
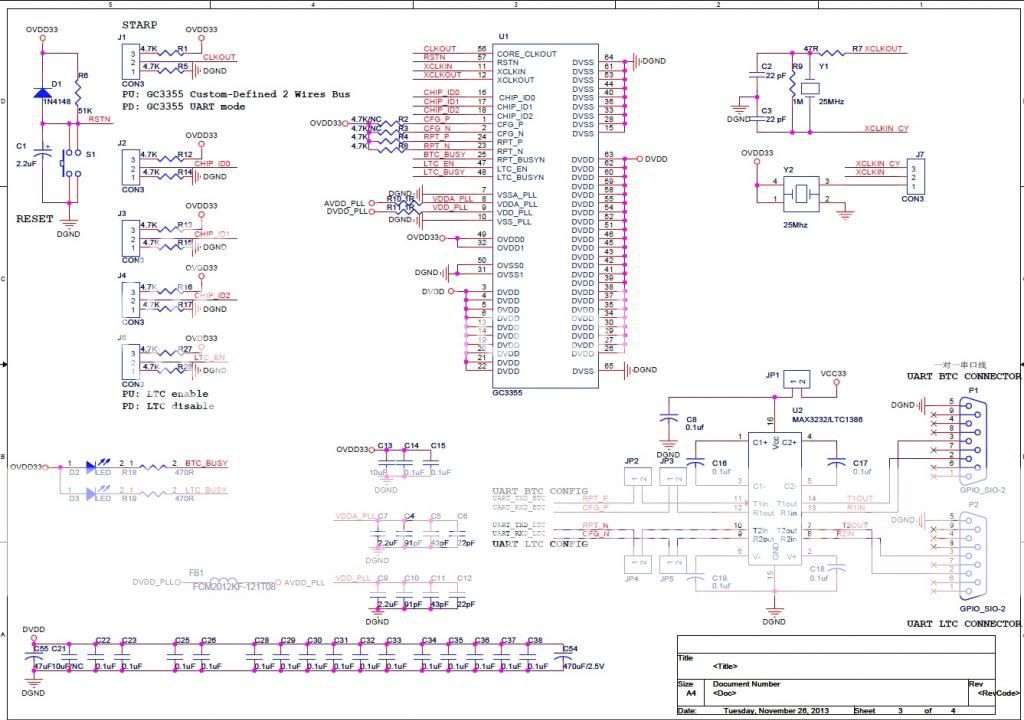
Possibly, though the pencil mod will decrease resistance, whereas we want the opposite (on the particular resistors I'm looking at). It might be possible to target a different resistor. What this mod is doing is setting vid1 = 1 (solder part) and vid0 = 1 (voltage=1 part). Vid0 and vid1 are connected to a 2-bit VID buck converter, which selects between four output lines (set0, set1, set2, set3). On my miners, the resistance of the resistors connected to these lines are 33, 30, 27, and 36 K (this is different than gridseed's PCB spec!). By default vid0 = 0 and vid1 = 0, so you get 33 K. I experimented with all four vid0/vid1 values and found that power usage (and thus core voltage) is proportional to resistance.
https://github.com/gridseed/usb-miner/blob/master/hardware/GC3355%20USB%20for%20release.pdf?raw=truevid0 | vid1 | W | R (K) |
0 | 0 | 12.4 | 33 |
0 | 1 | 10.4 | 30 |
1 | 0 | 11.2 | 27 |
1 | 1 | 14.0 | 36 |
came across this one over the weekend.
https://codeload.github.com/gridseed/gc3355-doc/zip/master

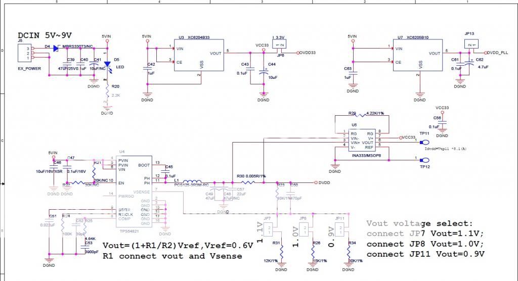
it has the spec for a 1 chip and 8 chip miner the 1 chip has the formulea and ref on it assuming sames applies to the gridseed 5 chip version.
seems there the potentail for the same mod as wiht the antminers same formuela as well. its just tracking it down on the board. it appears you could get up to 1.2v wiht the right resistor mod. and if the resistors are the same as the antminer there are fing tiny tiny, 603 series(??) smd resistors - dropped a few on the table never to be found again. ill wait though got my smd re work station arriving shortly
